Search
Search
2.1 简介
2.2 饲养层依赖型培养体系
2.3 无饲养层培养体系
2.4 选择培养体系
2.5 转换至无饲养层培养体系
2.6 细胞冻存
2.7 参考文献
培养 PSC 需要培养基、基质和传代方法的合适组合,以维持细胞健康和多能性。Thomson 等人在 1998 年第一次分离获得人胚胎干细胞时 [1],将胚胎干细胞培养在有丝分裂失活的 MEF 饲养层细胞上,并在培养基中添加了胎牛血清 (FBS)。这项开创性的工作成为各种 PSC 培养体系发展的起点。为了降低异源蛋白质和外来因子污染的风险,饲养层依赖型培养体系中的 MEF 被人源替代物所替代,包括人成纤维细胞。为了进一步减少可变成分和动物材料,FBS 被替换成 KnockOut 血清替代物,这是一种用于饲养层依赖型培养体系用以替代血清的补充剂,该产品现在有一种研究用版本,名称是 Gibco KnockOut血清替代物-多物种。最终,科研人员开发出了支持PSC 培养的完全无饲养细胞的培养基和基质。在 2011 年回到初衷,Thomson 实验室发布了一种成分完全明确的无饲养层培养体系,该体系支持未分化 PSC生长,不含任何动物成分;该培养基现在的商品名为Essential 8 培养基。该培养基的新版本——Gibco Essential 8 Flex 培养基——基于同样的配方。
很明显,PSC 培养体系的发展大部分是由生成适合于临床应用的 PSC 这一目标推动的,不含非人类动物材料(无异源或 XF),或者更好,没有人类或其他任何动物来源的材料(无动物源或 AOF)。
然而,从基于血清的培养基向成分更明确的培养基转化对研究和转化应用都是有价值的;成分更明确的培养基使用已知量的已知成分,因此效果更加一致。但是,并非所有研究应用都需要无异源或无动物源的培养基,实际上,许多更新、更先进、要求更高的 PSC 应用选择更复杂的培养基更有利。例如,Gibco StemFlex 培养基比 Essential 8 培养基更丰富,且经过优化以支持这些更具挑战性的新型应用,如单细胞传代和基因编辑。
总之,现在有各种“培养体系”以满足不同 PSC 应用越来越严格的要求,从基础研究到转化应用,从简单的细胞培养到基因编辑。有了各种各样的培养体系,可以有多种选择来满足某种应用需求。在不同选项之间进行选择可能最终取决于其他考虑因素,包括成本、工作流程和可扩展性。本章将讨论与不同培养体系相关的特征、试剂和工作流程。为了便于讨论,培养体系将分为饲养层依赖型和无饲养层体系,主要以不同的 PSC 培养基系统为中心。
请访问 thermofisher.com/pscculture,为您的研究找到合适的 PSC 培养基。
饲养层依赖型培养体系通常使用基于 DMEM 的培养基来维持多能性和细胞健康,其中添加了碱性成纤维细胞生长因子 (bFGF) 和血清,或比血清更常用的 KnockOut 血清替代物,一种专门针对 PSC 培养进行过优化的、成分更明确、更可靠的无血清替代物。顾名思义,饲养层依赖型培养依赖于饲养层细胞提供许多其他蛋白质,最常见的是生长因子和细胞外基质蛋白,这些是 PSC 培养中所必需的。拥有丰富的成分支持 PSC 生长,饲养层依赖型培养体系被认为是丰富而稳健的,并且在引入无饲养层体系多年后仍被广泛使用。
绝大多数饲养层依赖型培养体系使用 MEF 饲养细胞,这些细胞经过辐照或丝裂霉素 C 处理以使其细胞周期停滞。最常用的 MEF 来自远交的 CF1 小鼠品系,但 MEF 可以来自多种品系,包括近交 C57BL/6 小鼠或者甚至耐药小鼠,使得饲养层依赖型 PSC 能够实现从常规培养到药物筛选的任何功能。饲养细胞的制备和质量控制至关重要,因为成纤维细胞的分离可能会引入支原体等污染物,不完全灭活可使 MEF 过度生长,并超过生长缓慢的 PSC。大量可供选择的经过预分离、预灭活的野生型或耐药型 Gibco MEF 可以节省生成饲养层细胞的时间并避免麻烦。严格的质量测试有助于确保它们不受污染,并且可以真正支持 PSC 培养。
要了解有关 Gibco MEF 的更多信息,请访问 thermofisher.com/gibcomef
通常,正常维持 PSC 需要每天更换培养基,并且每天检查培养物的形态、一般健康状态和汇合度。在 MEF 上培养的健康且未分化的 PSC 具有高核质比,且呈紧凑、边缘清晰的集落形态(图 2.1),而分化的区域则包含更大、更平坦且更不紧凑的细胞(图 2.2)。当集落生长得过大或培养物汇合度过高,特别是当集落开始彼此重叠时,培养物可能发生已经了一定程度的分化。当发生这种情况时,可以在传代之前手动去除分化区域。然而,为了防止过度分化,饲养层依赖型培养物应定期传代,通常每 3-4 天传代一次,传代比例约为 1:4 至 1:6,实际间隔和比例根据细胞系和培养物汇合度进行调整。
图 2.1.在灭活 MEF 上生长的 H9 hESC 的相差图像。细胞在明胶包被的培养板上,使用含有 KnockOut 血清替代物的培养基进行培养。ESC 集落由紧凑细胞组成,边缘清晰,并被具有纺锤状形态的灭活 MEF 包围(放大 10 倍)。
图 2.2.在灭活 MEF 上分化的 H9 ESC 集落的相差图像。细胞在与图 2.1 相同的条件下生长。部分集落仍然紧凑且边缘清晰,但另一部分显示出更扁平、更松散的细胞排列,表明分化(放大 5 倍)。
与许多其他细胞类型不同,饲养层依赖型 PSC 以细胞团块形式传代,细胞团块需通过酶或机械方法收获。对于酶传代,将集落与 Gibco IV 型胶原酶或 Gibco 分散酶 II一起孵育,直至边缘从板上翘起。然后通过研磨将它们完全分离并捣碎成较小的团块,小心地获得最佳的团块尺寸;极小和极大的团块很可能分化或无法附着。在某些情况下机械传代可能更合适,例如在采集集落以用于扩增时。这包括使用 25 号针将集落划成较小的块,并用 200 μL 移液器吸头将团块吸起,以便将其转移到新鲜的培养板中。划刻法也可用于批量传代,尽管划刻整个培养板既乏味又耗时。如果选择采用机械方法作为批量传代的首选,那么GibcoStemPro EZPassage 工具可以用作更快、更容易的替代方案。StemPro EZPassage 工具是一种带槽的滚动工具,一次移动可划过多个集落,产生均匀的团块,然后可用细胞铲将这些团块从板上剥落下来。无论传代方法如何,培养板通常用 0.1% 明胶或即用型等效 Gibco 附着因子包被,以促进饲养层细胞的附着和分散。饲养层细胞本身应至少在培养前一天接种上。
要查看在饲养层细胞上培养 PSC 的详细方案,请访问thermofisher.com/cultureprotocols
无饲养层培养的原则是去掉饲养层细胞,并对剩余的培养成分进行补充,以补偿缺失的营养成分、生长因子和细胞外基质蛋白。例如,使用 MEF 条件培养基来创造不含任何饲养层细胞但仍含有饲养层细胞分泌的可溶性因子的培养系统。然而,与使用实际的饲养层细胞相比,MEF 条件培养基未能带来太多改进,并且相关的工作流程可能更加繁琐。因此,研究已经成功解析了 MEF 的蛋白质贡献,并研究了对多能性至关重要的信号通路,目标是开发更好的无饲养层体系。这些研究初步开发了第一代不需要 MEF 的干细胞培养基,MEF 既不作为饲养层细胞也不作为条件培养基来源。接下来,研究人员开发了最简、成分明确、无异源的培养基,如 Essential 8 培养基和 Essential 8 Flex 培养基。最后,研究人员已开发出了优化的培养基,如 StemFlex 培养基,尽管 PSC 在要求更高的应用中会承受应激,它仍能维持多能性和生存。
为了开发成分更明确的培养基,以便更稳定地维持 PSC 的生长和多能性,James Thomson 的实验室重新检查了现有无饲养层培养基的成分,测试了一些成分更少的新组合 [2]。结果他们发现了一种成分完全明确、无异源、无饲养层的培养基,现在已成为商品化的 Essential 8 培养基虽然大多数无饲养层培养基配方由 20 多种成分组成,增加了复杂性、时间和成本,但 Essential 8 培养基仅由 8 种成分配制而成。此外,与大多数无饲养层培养基不同,Essential 8 培养基通过专门设计排除血清白蛋白,而血清白蛋白是常见的变异来源。这种简单的配方已经通过广泛测试,并且已显示能在多个 PSC 细胞系中维持多能性和正常核型超过 50 代。升级配方的 Essential 8 Flex 培养基提升的性能在于不需要像大多数 PSC 培养维持那样每天换液。该培养基使用与原 Essential 8 培养基中相同的野生型 bFGF,但略微修改的配方扩展了该生长因子的活性以及 PSC 培养基中发现的其他关键热敏成分的活性。这使得换液时间表更加灵活,其中可以在一周内最多跳过 3 天换液,包括最多连续 2 天,而不损害多能性和遗传稳定性。
基于广泛发表的 Essential 8 培养基,我们开发了一种细胞治疗级、成分完全明确的人多能干细胞培养基。Gibco CTS Essential 8 培养基具有与 RUO 版本相同的所有优点,且其成分完全无动物源 (AOF),可支持临床研究应用。
CTS Essential 8 培养基可为临床 PSC 应用提供一流的设计。其无动物源配方降低了与动物源和人源成分相关的风险。它也是在 FDA 注册的医疗设备生产设施中以符合 cGMP 的标准生产的。此外,CTS Essential 8 培养基提供完备的法规文件和安全测试,并附有 FDA 药物主文件。该培养基是一种被广泛接受的配方,已在研究市场中被广泛地使用和引用。CTS Essential 8 培养基使研究应用到临床应用实现无缝转化。
StemFlex 培养基是我们最新开发的培养基,在当今干细胞研究中创新且极具挑战性的应用中表现出色,如重编程、单细胞传代和基因编辑。除了核心性能有所增强之外,它还提供了灵活的换液时间表(包括周末无须换液的选项)的便利,就像 Essential 8 Flex 培养基 一样。它还能根据特定应用选择最适合的基质或传代试剂。
传代无饲养层条件下培养的 PSC 与传代在 MEF 上生长的细胞具有许多相同的考虑因素和实践方法。细胞需要每天观察和换液,但如果使用的是 Essential 8 Flex 培养基或 StemFlex 培养基,则该时间表有更大的灵活性。作为指南,健康且未分化的无饲养层的细胞以集落形式生长(图 2.3),就像饲养层依赖型培养物一样。然而,集落可能看起来更平坦或更不紧凑,并且集落边缘可能不那么光滑,尤其是在刚传代之后。与饲养层依赖型培养物一样,汇合度过高会导致分化区域形成(图 2.4)。这些通常不需要手动移除,但最好通过定期传代来防止扩大分化,特别是在使用 Versene 试剂或 EDTA 以外的传代方法时。使用诸如 TrypLE Select 或 Gibco StemPro accutase 细胞分离试剂等试剂的传代方法不能使 PSC 从塑料表面差异化分离,因此也会收获分化的细胞。
图 2.3.在无饲养层条件下生长的 hiPSC 的相差图像。使用 Essential 8 培养基,在 Geltrex 基质包被的培养板上培养 Gibco 人类游离态 iPSC(放大 10 倍)。
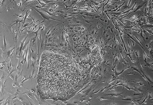
图 2.4.无饲养层的分化 hiPSC 集落的相差图像。细胞在与图 2.3 相同的条件下生长。部分集落仍然紧凑,但另一部分显示出更扁平、更松散排列的细胞,表明分化(放大 5 倍)。
Essential 8、Essential 8 Flex 和 StemFlex 培养基可与多种基质一起使用,包括 Geltrex 基质、Gibco 玻连蛋白和 rhLaminin-521。Geltrex 基质由源自 Engelbreth-Holm-Swarm 小鼠肿瘤的基底膜蛋白组成。与 Geltrex 基质不同,玻连蛋白和 rhLaminin-521 是成分明确的、无异源的重组人基质蛋白。玻连蛋白底物特异性地使用蛋白质的 VTN-N 变异,当与 Essential 8 培养基一起使用时,其维持 hPSC 附着和存活的能力要优于野生型 [2]。另一方面,Gibco rhLaminin-521 已被证明即便在没有小分子 Rho 相关蛋白激酶 (ROCK) 抑制剂的情况下,也可以在应激条件下促进 PSC 生存 [3]。它可用于常规培养,尤其适用于应激应用,如重编程、从较丰富培养基向较贫乏培养基转换时 PSC 的适应,以及荧光辅助细胞分选 (FACS) 后的单细胞克隆的生长。
在如 Essential 8、Essential 8 Flex 和 StemFlex 培养基中培养的细胞所采用的标准传代方法是非酶消化的手法。使用溶解在 Gibco 无钙、无镁 DPBS 中的 0.5mM EDTA 对集落进行短暂处理,该试剂也有市售即用型形式,即 Gibco Versene 溶液。当用培养基替换了 EDTA 后,使用移液枪轻轻地将细胞从培养板上冲洗下来。这样得到的细胞团块可转移到新板而无需进一步研磨。当细胞汇合度达到 ~85% 时传代。这通常发生在第 3-7 天,传代比为约 1:6 至 1:20。
要用于基因编辑或克隆扩增等特定应用或使工作流程更适合大规模培养,可能需要使用 Gibco TrypLE Express 酶将细胞以单细胞进行传代,或使用 StemPro accutase 细胞分离试剂将细胞以 2 至 3 个细胞簇进行传代。支持此类传代方法的最佳培养体系是最强大的无饲养层培养基和基质(StemFlex 培养基和 rhLaminin-521)的组合。如果想要选择 Geltrex 基质或 VTN-N 与 StemFlex 培养基一起搭配使用,使用 Gibco RevitaCell 补充剂仍然可以实现单细胞传代,该补充剂是一种专有的、化学成分明确的、无外源配方,其含有抗氧化剂、自由基清除剂和 ROCK 抑制剂,具有比 Y-27632 或 thiazovivin 更高的特异性。在该方案中,使用 TrypLE Express 或 Select 酶分离贴壁的 PSC。在传代后的 24 小时内将 Gibco RevitaCell 补充剂添加到培养基中,但后续更换培养基时不再需要。注意:当在培养基中使用 RevitaCell 补充剂时,不要添加额外的 ROCK 抑制剂(如 Y-27632 或 thiazovivin)。
如果需要成分明确的无异源培养基,当与 rhLaminin-521 一起使用或与 RevitaCell 补充剂和 VTN-N 或 Geltrex 基质一起使用时,Essential 8 培养基也可支持单细胞传代。
有关 StemFlex 和 Essential 8 培养基的不同基质和不同传代方法的指南,请参阅表 2.1。
对于一些应用,如细胞疗法的开发,可能需要生成大量的 PSC,最好是在无异源条件下。已发表的研究表明,这可以使用 Essential 8 培养基,通过聚合培养或使用微载体来实现。在之前的研究中,PSC 使用 StemPro accutase 细胞分解试剂进行传代,然后最初的 24 小时在 100 mL 转瓶中使用补充了 ROCK 抑制剂的 Essential 8 培养基进行培养 [4]。搅拌使得均质 PSC 聚集体得以形成和存活,使得培养物能在 20 天内从 1×106 个细胞扩增至 1×109 个细胞。在随后的研究中,使用 EDTA 传代的细胞团被附着到玻连蛋白 (VTN-N) 包被的聚苯乙烯微载体上,在静态培养中使用补充有 ROCK 抑制剂的 Essential 8 培养基进行培养 [5]。24 小时后,用不含 ROCK 抑制剂的 Essential 8 培养基替换原来的培养基,并使用 50mL 转瓶搅拌培养物,先间歇地搅拌,然后连续地搅拌。按55,000 个细胞/cm2 微载体表面积的比例接种细胞,在培养 10 天后,产生 3.5 的细胞产率。
如前所述,饲养层依赖型培养物在支持 PSC 生长和保持多能性方面表现良好,足以用于许多基础研究项目。丰富而强大的培养基使得培养条件更加宽容,是新手 PSC 研究人员的理想选择,甚至更有经验的研究人员也可以使用饲养层依赖型培养物作为备份体系或作为无饲养层培养物的对照。然而,饲养层依赖型培养确实存在某些可能令潜在用户失望的缺点。不明确的成分容易导致性能不一致。MEF 是动物来源,有携带外来因子的风险。此外,工作流程更繁琐,包括更耗时的传代方案,需要大量工作来获得和制备饲养细胞,通常还需要修整培养物以去除自发分化的区域。这些可能不够理想,但对于小规模培养还是可以容忍的。但是,它们极难用于规模非常大的项目。
相比之下,无饲养层体系不需要进行饲养细胞分离、灭活、储存和预铺板;它们也不需要在做某些下游实验(例如分子分析或流式细胞分析)之前先去除饲养细胞。通过改进这些工作流程,以及增加执行单细胞传代的可能性,无饲养层体系通常更适合大规模培养和高通量实验。因为无需饲养细胞,它们的性能也更加一致。即便如此,在无饲养层培养体系中,一致性也存在差异,因为有些培养基和基质确实包含不太明确的成分。此外,有些培养基比其它培养基包含更多的成分,这不仅意味着更高的成本和更高的复杂性,而且也意味着更高的性能不一致性风险。
基于这些考虑,成分完全明确且完全无异源的培养体系(如 Essential 8 培养基和 Essential 8 Flex 培养基)在从基础研究跨越到转化研究的工作流程中可能更受青睐。在基础研究中,这些体系更具吸引力,因为除了成本更低外,它们能为研究不同生物信号通路的实验提供更简洁的背景。这些培养基也是在良好生产规范 (GMP) 下生产的;这有助于提高一致性并减轻未来转化研究的负担。
虽然更精简的体系好处颇多,重要的是要明白,它们往往对应激源更加敏感,并且可能对刺激性的细胞操作耐受性更低。此外,并非所有客户都需要无异源体系,而且还有许多复杂的工作流程是精简培养基不能很好支持的。综合考虑这些因素使得像 StemFlex 培养基这样新型的强大培养基变得极具吸引力。Gibco StemFlex 培养基解决了市场上其他培养基的不足,这些培养基的设计无法支持当前各种新型的 PSC 工作流程和应用。与所有 Gibco PSC 培养基一样,StemFlex 培养基在 GMP 条件下生产,为基因编辑、单细胞传代和克隆扩增(仅举几例)等研究应用提供一致且强大的产品。
选择 PSC 培养体系有许多微妙之处,最终的选择取决于研究目标。例如,即使基础研究中的预期应用表面上可以通过饲养层依赖型体系来满足,如果实际实验需要或可以从可扩展性、一致性、更明确的背景、改进的工作流程以及在整个周末不需更换培养基的潜能(使用 Essential 8 Flex 培养基时)中获益,Essential 8 无饲养层体系则仍然是首选。然而,如果实验涉及刺激性的细胞操作或是由 PSC 培养经验不足的人执行,更丰富的培养基(如 StemFlex 培养基)或饲养层依赖型选项(如 Gibco DMEM/F-12 和 KnockOut 多物种血清替代物)可能更有益。为了帮助您选择合适的培养体系,表 2.2 总结了各种培养基的优缺点。
有关寻找合适的 PSC 培养工具的其他帮助,请访问 thermofisher.com/pscculture
有时需要将 PSC 转换到特定的无饲养层培养体系,以满足不断变化的项目要求或新的实验设计。几种适应方案和方法可以平滑过渡到 StemFlex、 Essential 8 培养基体系(图 2.5)。其他无饲养层培养基(如 mTeSR™1 培养基 (STEMCELL Technologies))中的 PSC 可以使用 Versene Solution 直接传代到带有 Geltrex 基质的 StemFlex 培养基或 Essential 8 培养基中。如果首选在具有 VTN-N 的 Essential 8 培养基中培养,可以将细胞在具有 Geltrex 基质的 Essential 8 培养基中传一至两代后,再将细胞传代到该体系中。
饲养层依赖型培养物可直接适应具有 VTN-N 的 Essential 8 培养基或具有 Geltrex 基质的 StemFlex 培养基,但获得正确的集落团块大小至关重要,因为大团块会形成胚状体,而小团块在铺板时会分化。获得最佳团块大小的推荐方法包括使用胶原酶 IV 收集集落,然后吹打,更重要的是,如适应方案中所述应进行两轮重力沉降。对于难以转换的细胞系或仅仅为了获得最佳结果,可以将细胞转移到使用 rhLaminin-521 的选择培养基中进行一次或两次传代,然后转换到使用 VTN-N 的 Essential 8 培养基或使用 Geltrex 基质的 StemFlex 培养基中。Essential 8 培养基和 rhLaminin-521 的组合可以通过 Gibco Essential 8 适应试剂盒获得。
图 2.5.适应 StemFlex 和 Essential 8 培养基体系的指南。左侧显示了从其他无饲养层体系转移 PSC 的方案。右侧显示了从其他饲养层依赖型培养体系转型的方案。
细胞冻存是每个细胞培养工作流程的重要组成部分。在 PSC 工作流程中,细胞通过冻存成为备份培养物,如果目前培养的细胞受到遗传变化、污染、细胞过度死亡或自发分化的影响,则可以复苏冻存的培养物。冻存细胞也是为了保存细胞系以便将来使用,包括当项目被暂时搁置或创建干细胞库时。最后,冻存 PSC 使得在不同的设施之间运输和共享 PSC 培养物成为可能。总之,细胞冻存可以提高项目的连续性、时间跨度和灵活性,并且可以提高不同 PSC 细胞系的可用性和传播性。
传统的细胞冻存方法是将 PSC 在 10% DMSO 中冷冻,通常将细胞沉淀重悬于预期总体积一半的 PSC 培养基中,然后添加含有 20% DMSO 的 2X 冷冻培养基至预期总体积。为了使细胞尽可能避免接触 DMSO,将冷冻管放在速率受控冷冻装置中,迅速转移至 -80°C,然后以约 1°C/min 的速度逐渐降低温度。24 小时后,将冷冻管转移至 -200°C 至 -125°C 的液氮冷冻设备中长期保存。当需要解冻 PSC 时,将冷冻管在水浴中加热直至剩下一小块冰。同样,为了使细胞尽可能避免接触 DMSO,并改善细胞存活率,将内容物快速转移到锥型管中,并添加新鲜培养基进行稀释。为避免渗透休克,边轻摇锥型管,边逐滴加入培养基。在新鲜培养基中洗涤并重悬后,将细胞转移到培养板中,使其恢复和生长。冻存和解冻对细胞造成应激,但用优化的 Gibco PSC 冻存试剂盒替代或补充传统试剂可以使冻存的 PSC 实现最佳解冻后活力和复苏。PSC 冻存试剂盒包含即用型成分明确的无异源冻存培养基和无动物源 RevitaCell 补充剂,通过抗氧化剂、自由基清除剂和更具特异性的 ROCK 抑制剂提高细胞存活率。为了临床应用或仅仅是为了找到一种为多种细胞类型而设计的即用型替代物,也可以选择Gibco Synth-a-Freeze 细胞冻存培养基。该成分明确的培养基是含有 10% DMSO 的 HEPES 和碳酸氢钠缓冲液,不含抗生素、抗真菌剂、激素、生长因子、血清或蛋白质。
为帮助您选择最佳的细胞冻存培养基,请在表 2.3 中查看这些选项的比较。有关更多信息,请访问 thermofisher.com/cryopreservation
仅供科研使用,不可用于诊断目的。




